DIRECTLOT.RU
Вход   Регистрация
Товары Услуги Сообщество Возможности  
Все товары на продажуЭлектроника и радиосвязьНаборы, конструкторы, adruino, микрокомпьютеры купить

Комплект файлов для сборки USB пульта Mach3 с сенсорным экраном купить

Лот 1801825, размещён в продажу:
Состояние:   Состояние нового (как новый, но без упаковки)
Находится в:   Таганрог

Цена:

1 000  
1
В наличии
 
1
Мин. заказ
Связаться с продавцом
Оплата
Наличными при встрече
На счёт карты
Доставка
Получение при встрече
Почта России
Транспортной компанией
Архив с файлами вышлю на почту.
 
Андрей67
Оффлайн
Из:   Таганрог
В системе:  
119   2034
Пользователь
Форум chipmaker.ru
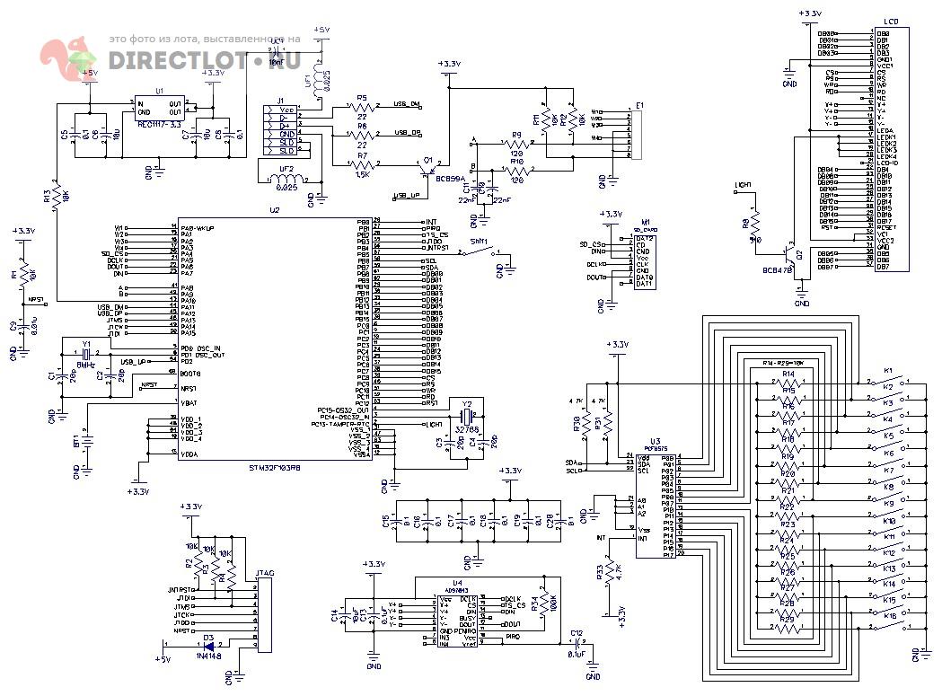
Комплект файлов для сборки пульта Mach3 на STM32. В комплект входит схема, тестовая прошивка, файл печатной платы в формате DipTrace, файл корпуса SolidWorks2016 или STL, плагин. Печатная плата имеет два варианта, для дисплея 2,8" и 2,4". Прошивка одна. Для 2,8" корпус нужно изготавливать, для 2,4" можно взять готовый пластиковый (Корпус РЭА 21-103D) , но требует доработки (вырез под кнопки, под шаттл, увеличить рамку под дисплей.
Дисплей LCD на 37 pin с контроллером или ILI9320 или ILI9325 или ILI9328. Аналоги типа R61505 могут не работать!
После сборки заливается тестовая прошивка, если всё собрано правильно, на дисплее появятся номера ID1- ID3 микроконтроллера (на предпоследнем фото). На основании их, я сгенерирую прошивку конкретно под этот МК. Рабочая прошивка оплачивается отдельно (+1000 руб).
На фото образцы пультов.
Описывать все возможности пульта не буду, есть видео rutube.ru/video/66441e026139e292128872b8c3d9f160/?r=wd

За доп.плату могу собрать плату из ваших компонентов, залить прошивку, настроить экраны.
У этой страницы есть короткий адрес: https://dirlot.ru/lot/1801825
Код для вставки ссылки на эту страницу в сообщения на форумах: [url=https://directlot.ru/lot.php?id=1801825] Комплект файлов для сборки USB пульта Mach3 с сенсорным экраном купить, объявление на DIRECTLOT.RU [/url]

Бесплатное объявление 1801825 в рубрике Наборы, конструкторы, adruino, микрокомпьютеры продам: Комплект файлов для сборки USB пульта Mach3 с сенсорным экраном купить в Таганроге цена 1000 руб. Объявление размещено пользователем «Андрей67».

Помощь по системе     Условия использования     Контакт с администрацией