DIRECTLOT.RU   Вход   Регистрация
Товары Услуги Сообщество Возможности chipmaker.ru  
Все сообщения "нужна услуга"Металлообработка

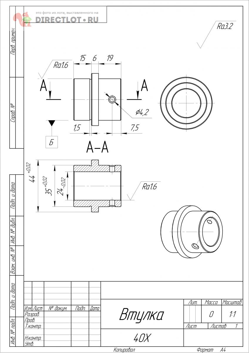
Нужна услуга: Втулка посадочная

Лот 1798165, размещён в доступ:
Желают получить услугу в:   Минск
Посадочная втулка под шпиндель часового сверлильного. 40Х указано условно, может быть другая сталь, деталь требуется немного подкалённая ~35HRC
в отверстиях ф 4.2 необходима резьба М5

Минск, предложения в ЛС.
 
AndreyAvgust
Оффлайн
Из:   Минск
В системе:  
2   5
У этой страницы есть короткий адрес: https://dirlot.ru/lot/1798165
Код для вставки ссылки на эту страницу для форумов: [url=https://directlot.ru/lot.php?id=1798165]Нужна услуга: Втулка посадочная[/url]

Помощь по системе     Условия использования     Контакт с администрацией