DIRECTLOT.RU   Вход   Регистрация
Товары Услуги Сообщество Возможности chipmaker.ru  
Все сообщения "нужна услуга"Металлообработка

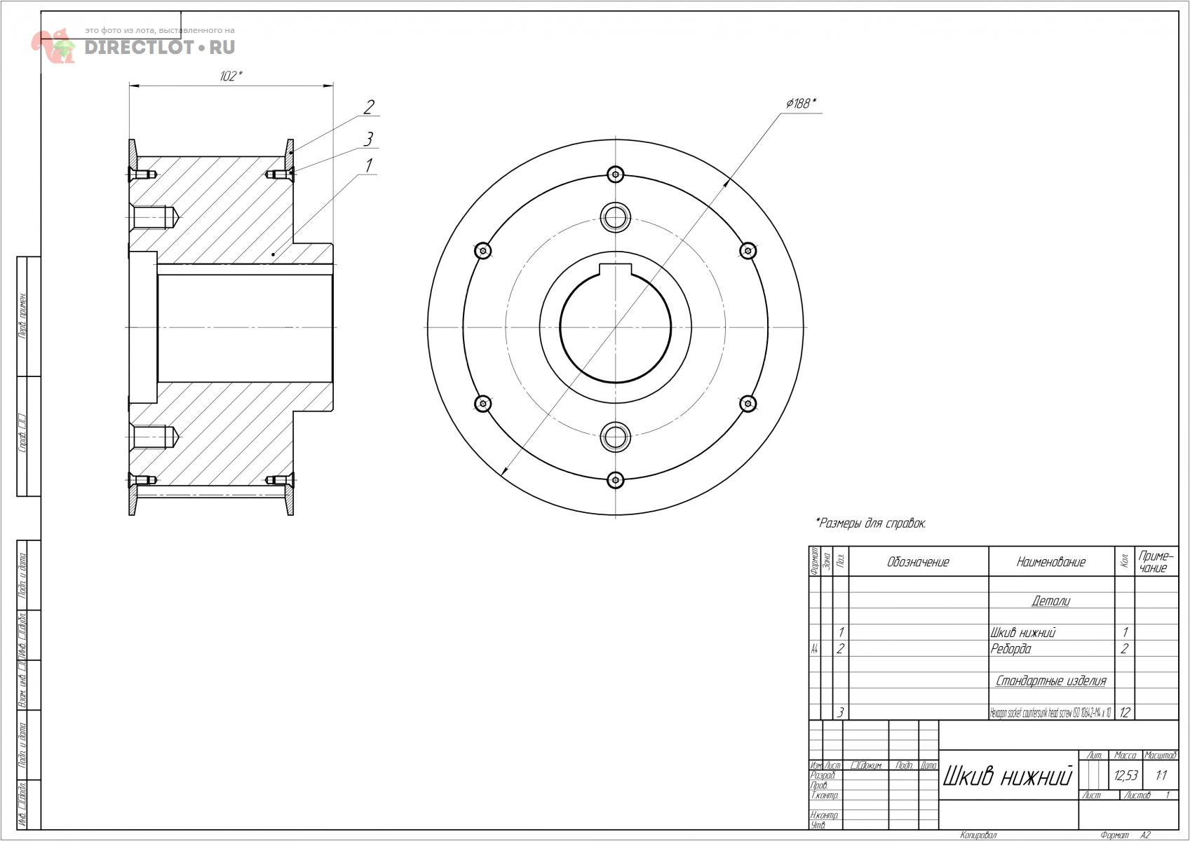
Нужна услуга: Требуется изготовить шкивы.

Лот 1789235, размещён в доступ:
Желают получить услугу в:   Любой город
Требуется изготовить шкивы. По 2 шт. каждого вида.
 
Евгений Иванович
Онлайн → смотрит лот
Из:   Курск
В системе:  
1247   2016
У этой страницы есть короткий адрес: https://dirlot.ru/lot/1789235
Код для вставки ссылки на эту страницу для форумов: [url=https://directlot.ru/lot.php?id=1789235]Нужна услуга: Требуется изготовить шкивы.[/url]

Помощь по системе     Условия использования     Контакт с администрацией