DIRECTLOT.RU   Вход   Регистрация
Товары Услуги Сообщество Возможности chipmaker.ru  
Все сообщения "нужна услуга"Металлообработка

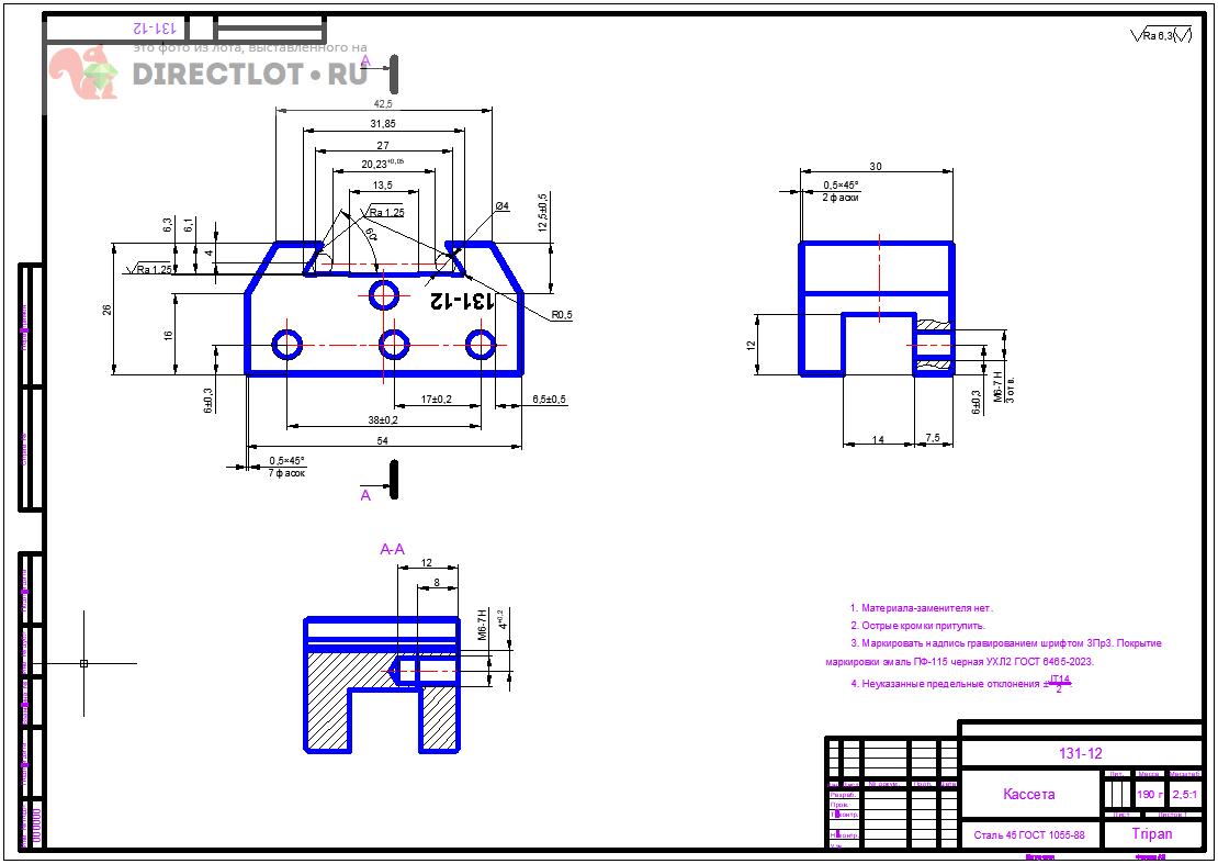
Нужна услуга: Изготовить кассету для резцедержателя

Лот 1786287, размещён в доступ:
Желают получить услугу в:   Москва
Необходимо изготовить реплику кассеты для резцедержателя Tripan 111. Материал исполнителя (сталь 45 или аналог). Закалка не нужна. Если с опытным образцом получится удачно, нужно будет еще 5 штук таких же.
 
Vattghern
Онлайн → в возможности
Из:   Москва
В системе:  
212   219
У этой страницы есть короткий адрес: https://dirlot.ru/lot/1786287
Код для вставки ссылки на эту страницу для форумов: [url=https://directlot.ru/lot.php?id=1786287]Нужна услуга: Изготовить кассету для резцедержателя[/url]

Помощь по системе     Условия использования     Контакт с администрацией